所有产品可按需求定制
质量稳定可靠
咨询热线:
18954556021
网站首页
厂区展示
产品中心
新闻中心
应用领域
在线留言
联系我们
金兴机械
咪咕视频产品中心足球赛北京(HJ系列)
单排球式回转支承(Q系列)
企鹅产品中心礼物分成(01系列)
企鹅产品中心礼物分成(HS系列)
双排球式回转支承(02系列)
360足球巴巴_nba产品中心
轻型系列回转支承(薄型)
轻型系列回转支承(法兰式)
咪咕视频产品中心足球赛北京回转支承(11系列)
(07系列)双列球式
01nba足球巴巴
小型轴承
主页
>>
产品中心
>>
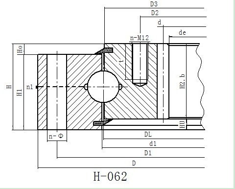
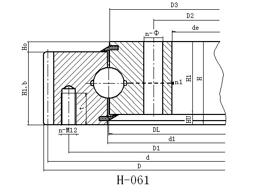
轻型系列回转支承(薄型)
回转支承无齿型
回转支承外齿型
回转支承内齿型
3 条记录
1
共 1 页